

Z型斗式提升機外形為“Z”字型,可以水平-垂直-水平輸送粉末、顆粒及黏性物料,可以單點或多點卸料,其料斗材質可根據輸送物料選擇碳鋼、不銹鋼或塑料材質,機殼可采用碳鋼、鍍鋅板或不銹鋼框架。

Z型斗式提升機可應用于食品業,膨化食品業,飼料行業,糖果行業,干鮮果品業,保健食品業,糧食精加工處理業,化工醫藥業,五金電料業,軍工制造業等,適合輸送粉末和顆粒物料,也可輸送非黏性物料,如:糧食、飼料、水泥、碎礦石等。

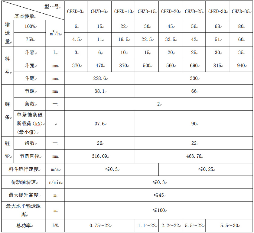
Z型斗式提升機主要由殼體、牽引件(輸送鏈)、料斗、驅動輪(頭輪)、改向輪(尾輪)、張緊裝置、導向裝置、加料口(入料口)和卸料口(出料口)等部分組成。
用戶可選配置:

機箱:半封閉機箱—防塵機箱—氣密機箱—不銹鋼機箱—碳鋼噴涂機箱。
料斗:不銹鋼料斗—碳鋼料斗—食品朔料料斗。
驅動:防爆減速機,普通減速機。
鏈輪:合金鋼鏈輪—不銹鋼鏈輪。
鏈條:合金鋼鏈條—不銹鋼鏈條。
控制:手動啟動停止,自動啟動停止,變頻控制。

1、每小時輸送量可以達到100立方/時,可以提升100米;
2、單點或多點卸料,可以用于輸送粉末、顆粒及塊狀物料;
3、全封閉結構,可減少粉塵飛揚現象,減少污染;
4、設備材質可根據使用需求的不同選用碳鋼噴塑、304不銹鋼、316L不銹鋼等材質,料斗材質有改性塑料料斗、碳鋼料斗、不銹鋼料斗可選。

Z型斗式提升機料斗把物料從下面的儲藏中舀起,隨著輸送帶或鏈提升到頂部,繞過頂輪后向下翻轉, 斗式提升機將物料傾入接受槽內。帶傳動的斗式提升機的傳動帶一般采用橡膠帶,裝在下或上面的傳動滾筒和上下面的改向滾筒上。鏈傳動的斗式提升機一般裝有兩條平行的傳動鏈,上或下面有一對傳動鏈輪,下或上面是一對改向鏈輪。斗式提升機一般都裝有機殼,以防止斗式提升機中粉塵飛揚。

輸送產品
您正在瀏覽的是:新鄉市大漢振動機械有限公司生產的螺旋輸送機設備,如果您對螺旋輸送機型號規格、價格感興趣的話,可以隨時撥打電話和我們聯系!